视频聚合搜索 - 壹搜网为您找到"

ejinright/qtm350-example

"相关结果

掌握功能安全与故障注入:解锁 ISO 26262及系统级验证之道

功能安全不仅是合规的基础,更是推动汽车技术发展的核心保障!本次研讨会将深入解析 ISO 26262 的核心流程与方法,同时通过系统级故障注入测试实践,展示如何验证安全机制的有效性,确保系统在真实故障下的鲁棒性。 安全法规与概念:解析功能安全、SOTIF 与网络安全的异同与联系。 风险分析方法论:HARA、概念设计阶段、DIA 与建模方法(SysML)应用。 故障注入基础:为什么要做故障注入,如何从FSR导出测试需求。 测试环境搭建:vTestStudio + CANoe ,构建系统级验证架构。
www.bilibili.com

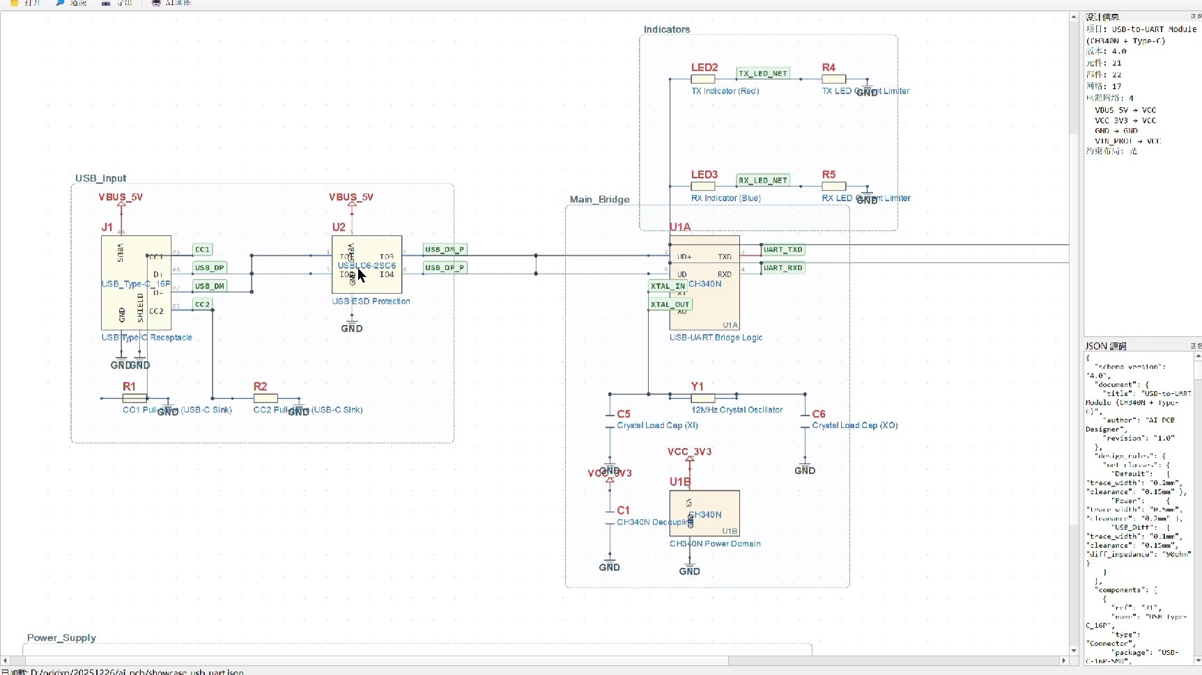
ai生成原理图

ai自然语言生成原理图 项目已开源 对你有帮助的话 来个三连吧 https://github.com/h776257632-dev/ai-pcb.git
www.bilibili.com

国内首个AI EDA软件上手体验

在 KiCad 中增加一个智能助手,与原理图、PCB交互,帮助您更高效地理解图纸中中内容或检查连接关系是否正确。当然,作为一个智能助手,它可以随时解答您关于电子设计的疑问。 目前支持的功能包括 在聊天面板中进行问答: 选中原理图/PCB中的对象,基于选中对象进行问答 @添加上下文,将项目或器件作为上下文进行问答(类似cursor的 @code) 支持图片解析,直接将图片复制到面板中进行问答 使用原理图中的预置菜单,可以解答以下问题: 猜测项目的设计意图 归纳设计中的核心器件 详细介绍当前选中的器件 推荐相
www.bilibili.com

风光储(风机、光伏、储能)微电网并网仿真建模simulink+论文

本文围绕风光储直流微电网的系统建模与运行控制展开研究,重点分析了光伏发电、风力发电及储能系统的动态特性与控制策略。在光伏部分,研究了基于扰动观察法、电导增量法和粒子群算法的最大功率点跟踪(MPPT)控制;在风电部分,分析了风能转换机理并采用爬山搜索法实现最大风能捕获;储能系统则采用锂电池模型及其双向DC/DC变换器控制策略,以实现直流母线电压稳定。进一步地,论文设计了基于电压定向的双闭环控制策略,实现双向DC/AC变换器的并网/离网平滑切换,并通过锁相环确保并网同步。最后,在Matlab/Simulink
www.bilibili.com